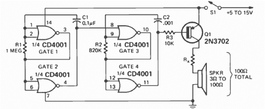
This modulated siren was found in the December 1974 issue of Radio Electronics magazine. A higher power output stage like the one in the previous circuit can be used. Frequency and effect are given by C1 and C2.
This modulated siren was found in the December 1974 issue of Radio Electronics magazine. A higher power output stage like the one in the previous circuit can be used. Frequency and effect are given by C1 and C2.