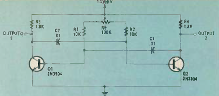
This common circuit is from September 1984 Radio Electronics. The transistors are general purpose, and the frequency is given by the capacitors.
Found in the October 1992 Radio Electronics magazine, this oscillator is controlled by switch S1....
This circuit was obtained in a 1976 amateur radio manual. The circuit can be made with a 2N2222...
The component used in this circuit is not very common today as the circuit is from the 80's. It...