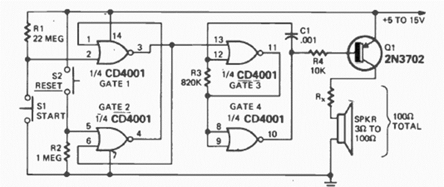
This alarm circuit triggers when S1 opens. The circuit from a January 1975 Radio Electronics magazine can be used with interrupt sensors connected in series.
This programmable sound circuit was found in the July 1978 issue of Radio Electronics magazine. It uses an...
The circuit shown simulates a programmable unijunction transistor (PUT). Transistors may be common...
This simple test lets you measure zener voltage. The power must be higher than the diode tested...