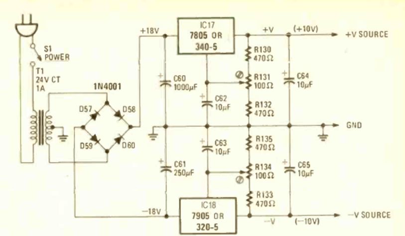
This circuit was found in the March 1979 issue of Radio Electronics magazine. Integrated circuits must be equipped with heatsinks. The maximum current is 1 A.
This programmable sound circuit was found in the July 1978 issue of Radio Electronics magazine. It uses an...
The circuit shown simulates a programmable unijunction transistor (PUT). Transistors may be common...
This simple test lets you measure zener voltage. The power must be higher than the diode tested...