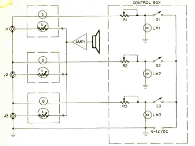
This is an interesting idea that we found in the May 1971 issue of Radio Electronics magazine. It can obviously be modified by using LEDs instead of bulbs. The circuit controls the signal applied to the inputs of an amplifier in a kind of mixer.

This is an interesting idea that we found in the May 1971 issue of Radio Electronics magazine. It can obviously be modified by using LEDs instead of bulbs. The circuit controls the signal applied to the inputs of an amplifier in a kind of mixer.
