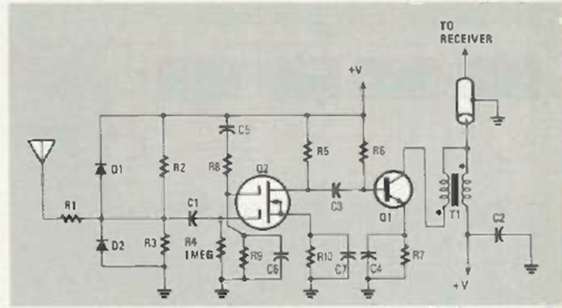
Although it uses a dual-channel FET, which is hard to find today, this circuit was released in a Radio Electronics issue in April 1986. It serves as a signal booster for a wide range of frequencies.
The circuit shown consists of a bilateral constant current source with an operational one that...
The sound of this experimental musical instrument is produced by the movement of the hand in front...
We found this circuit in a Japanese 1968’s documentation. The circuit makes use of transistors from...