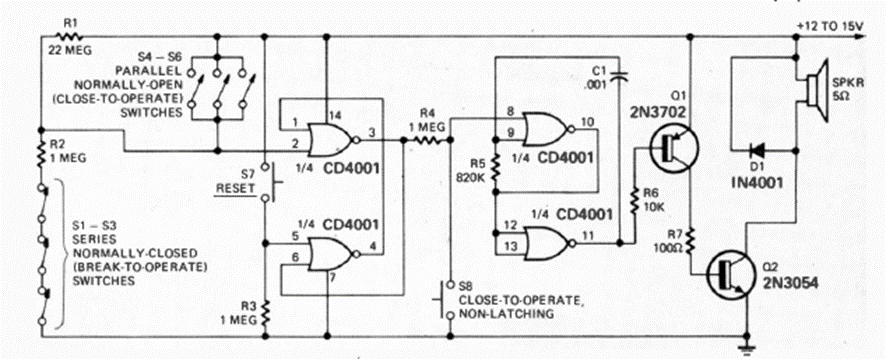
This alarm with NO and NC sensors was found in the January 1975 Radio Electronics magazine. The circuit emits a powerful sound that depends on the output transistor.
This programmable sound circuit was found in the July 1978 issue of Radio Electronics magazine. It uses an...
The circuit shown simulates a programmable unijunction transistor (PUT). Transistors may be common...
This simple test lets you measure zener voltage. The power must be higher than the diode tested...