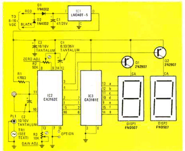
This circuit was described in an article in Radio Electronics magazine in September 1983. The two-digit circuit is based on well-known dedicated integrated circuits of the time.

This circuit was described in an article in Radio Electronics magazine in September 1983. The two-digit circuit is based on well-known dedicated integrated circuits of the time.
