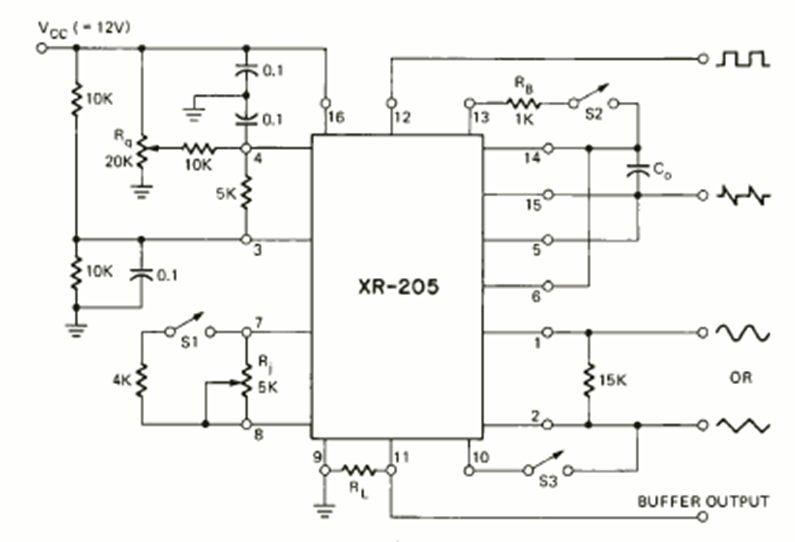
This circuit was found in the August 1972 issue of Radio Electronics magazine. The circuit generates 4 types of signals as can be seen in the diagram. The maximum frequency is around 20 kHz.
With the shadow over the sensor, it is possible to interrupt the sound of your amplifier using this...
This circuit provides a signal when dialing occurs. The circuit is powered by the telephone line...
We found this circuit in a 1995 documentation. It can measure frequencies from 100 kHz to over 100 MHz...