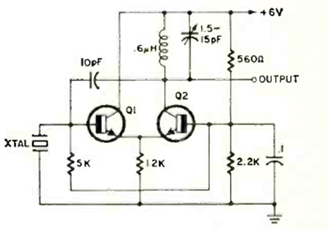
This oscillator for the fifth overtone of a crystal was found in a Radio Electronics magazine from May 1970. Transistors are RF types, and the transistor determines the maximum frequency achieved.
With the shadow over the sensor, it is possible to interrupt the sound of your amplifier using this...
This circuit provides a signal when dialing occurs. The circuit is powered by the telephone line...
We found this circuit in a 1995 documentation. It can measure frequencies from 100 kHz to over 100 MHz...