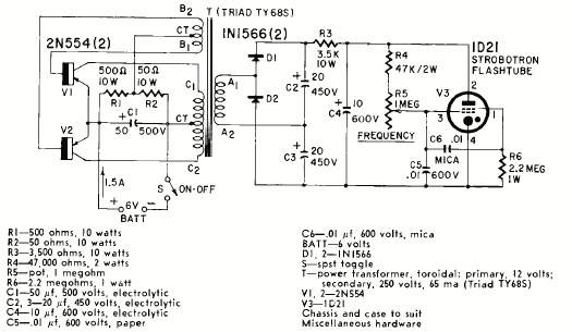
This stroboscope circuit with a high voltage lamp was found in Radio Elecronics magazine from July 1960. The circuit uses transistors of the time that must be equipped with heat sinks.

This stroboscope circuit with a high voltage lamp was found in Radio Elecronics magazine from July 1960. The circuit uses transistors of the time that must be equipped with heat sinks.
