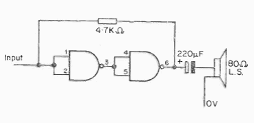
This simple TTL digital amplifier uses NAND gates and a high impedance speaker.
Found in the 1974 Ferranti transistor manual, this Schmitt trigger circuit uses general-purpose transistors...
This circuit was developed to test suspect 4001 and 4011 integrated circuits. The circuit is from...
This power source with silicon diodes at a time when valves were still used was found in Radio...