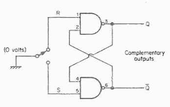
This circuit appears in several points of our site, including used in practical projects. The circuit is TTL and must be powered with 5 V.

This circuit appears in several points of our site, including used in practical projects. The circuit is TTL and must be powered with 5 V.
