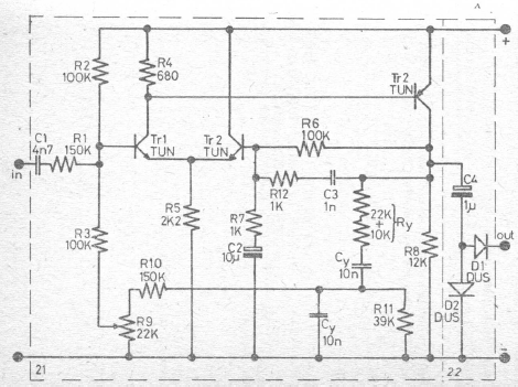
We found this circuit in an English documentation from the 80's. The circuit can make use of modern general-purpose transistors.

We found this circuit in an English documentation from the 80's. The circuit can make use of modern general-purpose transistors.
