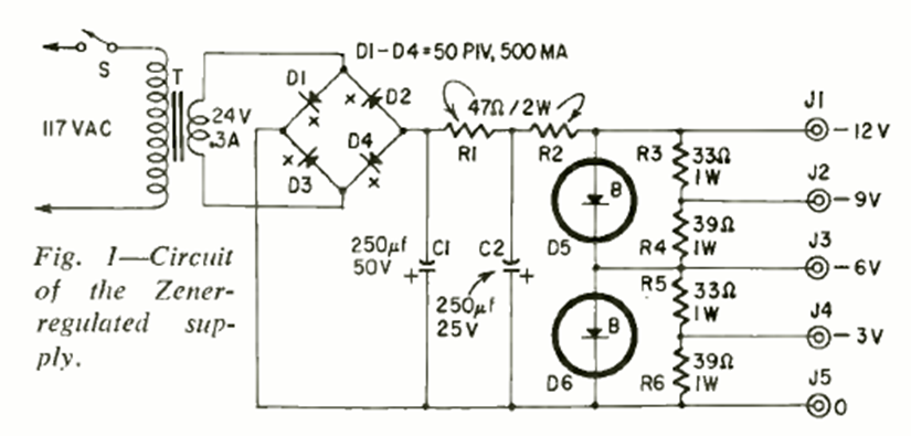
This 4-voltage power supply using zener diodes has a maximum recommended current of 25 mA. The circuit was found in the May 1966 Radio Electronics magazine.
Found in the 1974 Ferranti transistor manual, this Schmitt trigger circuit uses general-purpose transistors...
This circuit was developed to test suspect 4001 and 4011 integrated circuits. The circuit is from...
This power source with silicon diodes at a time when valves were still used was found in Radio...