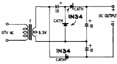
This source was found in American documentation from the 60's. The diodes are germanium, and the maximum output is a few milliamps.

This source was found in American documentation from the 60's. The diodes are germanium, and the maximum output is a few milliamps.
