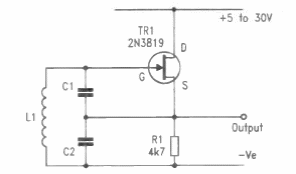
This ultra-simple circuit has the frequency determined by the LC network. Any general purpose JFET can be used.
We found this circuit in a 1978 publication. It is possible to detect the emission of infrared in remote...
This circuit is a manual of 1972 RCA power transistors. The critical components of the project are...
This sinusoidal oscillator is from the 1994 National Semiconductor Linear Applications Manual but...