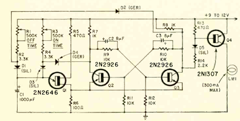
This flasher for incandescent lamps was found in Radio Electronics magazine from July 1968. The frequency and duration of the pulses are adjusted in R1 and R3 depending also on C1.
This three-transistor circuit was found in Radio Electronics magazine from May 1969. The circuit is...
A stereo digital mixer using the 4053 is built as shown in figure bellow. The IC must be powered...
The circuit shown is from a 1994 National Semiconductor documentation and can be implemented with...