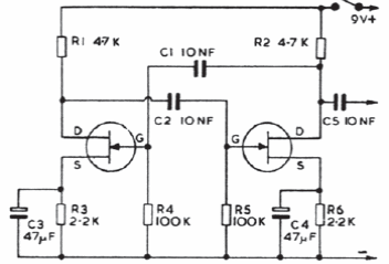
This circuit generates signals whose frequency depends on C1 and C2. JFETs are common types like BF245 or MPF102.
This ultra-simple test circuit is of great use in any electronics bench. The power is supplied by a...
This circuit was found in an Electronics World magazine from 1990. The circuit can be mounted...
This Pierce oscillator was found in American documentation from the 1980s. Transistors support modern...