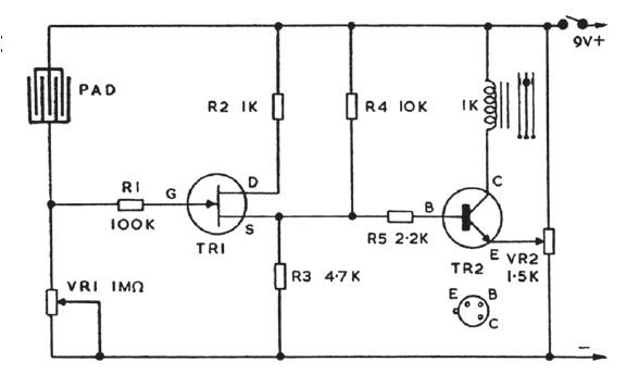
We found this sensitive moisture detector in an old documentation. The circuit uses a common JFET, and the transistor can be a BC548 or equivalent. The supply voltage is according to the relay.

We found this sensitive moisture detector in an old documentation. The circuit uses a common JFET, and the transistor can be a BC548 or equivalent. The supply voltage is according to the relay.
