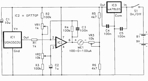
We found this circuit in an English documentation from 1995. With it it is possible to measure a current through the magnetic field it creates. The circuit uses a Hall sensor from the time.

We found this circuit in an English documentation from 1995. With it it is possible to measure a current through the magnetic field it creates. The circuit uses a Hall sensor from the time.
