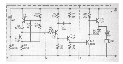
We found this transistor siren in an old English publication. The transistors are from the era, but current equivalents can be used. Frequency can be changed by changing components.

We found this transistor siren in an old English publication. The transistors are from the era, but current equivalents can be used. Frequency can be changed by changing components.
