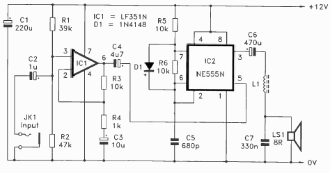
This circuit was found in an English publication from 1995. The circuit admits other operational amplifiers and the power is on the order of a fraction of a watt.

This circuit was found in an English publication from 1995. The circuit admits other operational amplifiers and the power is on the order of a fraction of a watt.
