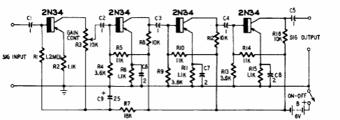
This circuit is from an American publication from the 50's. The transistors are made of germanium and the coupling between the steps is RC. The voltage gain is 4000.

This circuit is from an American publication from the 50's. The transistors are made of germanium and the coupling between the steps is RC. The voltage gain is 4000.
