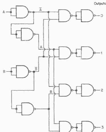
This circuit decodes a two-bit value into four outputs (one of four). The circuit must be powered by a voltage of 5 V.
With this circuit it is possible to activate a 12 V relay from a 6 V supply. The circuit operates as a...
This circuit is from a 1980s Motorola documentation. The circuit can be set to fire from 60 to 120...
This circuit is from a project published in the March 1996 Electronics Now magazine. The author used...