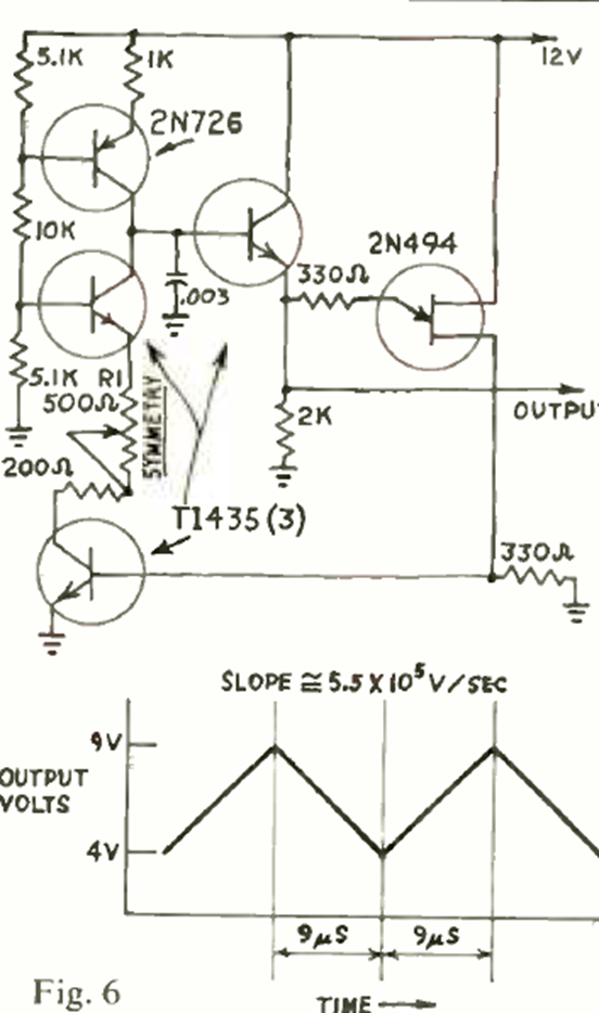
This circuit generates a triangular signal whose frequency is given by the basic components. The circuit is from a Radio Electronics from May 1967. The unijunction transistor is a type of the time.

This circuit generates a triangular signal whose frequency is given by the basic components. The circuit is from a Radio Electronics from May 1967. The unijunction transistor is a type of the time.
