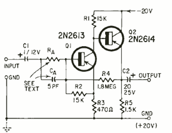
This circuit is an impedance adapter. The circuit is from a Radio Electronics from April 1966. The circuit adapts a high impedance signal for application on a low impedance line.

This circuit is an impedance adapter. The circuit is from a Radio Electronics from April 1966. The circuit adapts a high impedance signal for application on a low impedance line.
