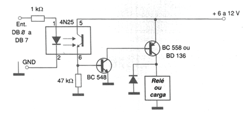
To control relays or DC motors safely with double isolation via the parallel port, we suggest the circuit in the figure. The optical isolator isolates the microprocessor or PC circuit from the relay drive circuit, which can operate with a voltage other than 5 V. In fact, using 12 V relays can achieve better performance. 12 V relays are easier to obtain, more sensitive and can therefore facilitate the assembly of the interface. The value of resistor R1 must be chosen according to the type of optical coupler used in order to obtain the ideal trigger point. with the door signal at high level. One possibility to find the best value is to use a trimpot in the project development and then replace it with a fixed resistor. Considering that common 12 V relays are specified for a current of 50 mA, the source must be sized considering the times when all of them are activated. Thus, for an interface in which the 8 parallel port outputs are used, the source must be capable of supplying the required 400 mA.




