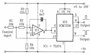
The integrated circuit used is a dual 555 CMOS. The circuit is from an English documentation and the frequency basically depends on C1.

The integrated circuit used is a dual 555 CMOS. The circuit is from an English documentation and the frequency basically depends on C1.
