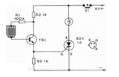
This sensitive circuit was found in old documentation. The SCR can be any of the 106 series and the transistor a BC548.
This circuit was obtained from an old American documentation, and practically any general-purpose transistor...
This transistorized circuit appeared in a Radio Electronics magazine in March 1958. The frequency range...
This old common analog telephone circuit was found in 1967 American documentation. The circuit uses...