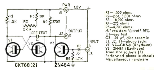
Using transistors of the time, this circuit was published in Radio Electronics magazine in November 1961 and served to divide the frequency of a 40 kHz crystal oscillator.

Using transistors of the time, this circuit was published in Radio Electronics magazine in November 1961 and served to divide the frequency of a 40 kHz crystal oscillator.
