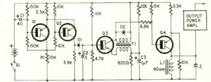
This transistorized siren was found in the patent section of Radio Electronics magazine from March 1968. The circuit uses components from the time and has a very elaborate configuration.
To a 16-0hm load, this amplifier provides a power of 10 W. We found this circuit in a Motorola...
This distortion circuit was found in an American publication from 1970. It can be assembled with...
This configuration was found in an English magazine from 1965. It is valid for any junction FET. The...