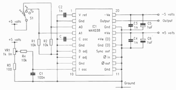
This circuit is based on Maxim's MAX038, consisting of a complete function generator. The circuit is from an English documentation from the 90s.

This circuit is based on Maxim's MAX038, consisting of a complete function generator. The circuit is from an English documentation from the 90s.
