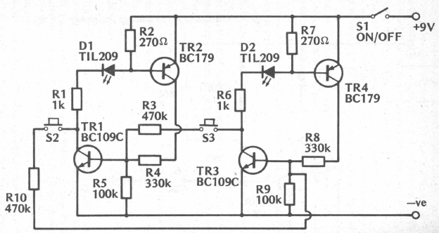
This circuit was found in old documentation. Transistors can be BC548. The LEDs are the same.
This basic circuit was found in the March 1998 issue of Electronics Now magazine. The circuit is...
This circuit was found in documentation for radio amateurs of the 1980s. The circuit is intended to...
I found this simple circuit an English magazine from 1984. The circuit can be easily assembled by simply...