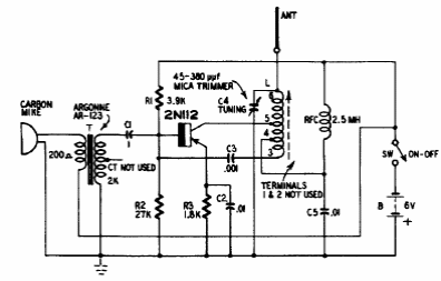
This circuit was found in an American documentation on transistors from the 60's. The transistor is made of germanium. The range is a few meters.

This circuit was found in an American documentation on transistors from the 60's. The transistor is made of germanium. The range is a few meters.
