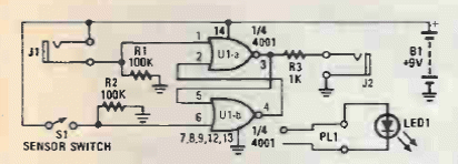
This circuit is from a Popular Electronics from 1992. The circuit powers an LED when triggered.
This audio generator that produces both rectangular and sinusoidal signals was found in a...
This simple circuit for a high impedance magnetic phone (500 ohms or more) has been found in a...
Found in an American publication from 1968, this circuit can be made based on a TIP42 that must be...