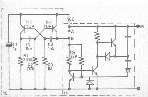
We found this circuit in an old English publication. Transistors are general purpose and the block between the dotted lines is the previous circuit. The modulation frequency is given by C2 and C3.

We found this circuit in an old English publication. Transistors are general purpose and the block between the dotted lines is the previous circuit. The modulation frequency is given by C2 and C3.
