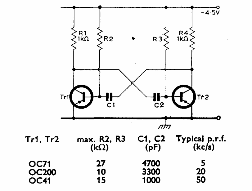
This astable multivibrator was obtained from a Mullard documentation from 1960. The components depend on the used transistor and on the frequency, as shown in the table next to the diagram.
This circuit controls two relays from a single temperature sensor. The first fires when the...
This converter converts a signal in the 200 kHz to 3.8 MHz band into frequency signals that can be...
Found in a 1980s American publication for amateur radio this circuit uses components from the era. The...