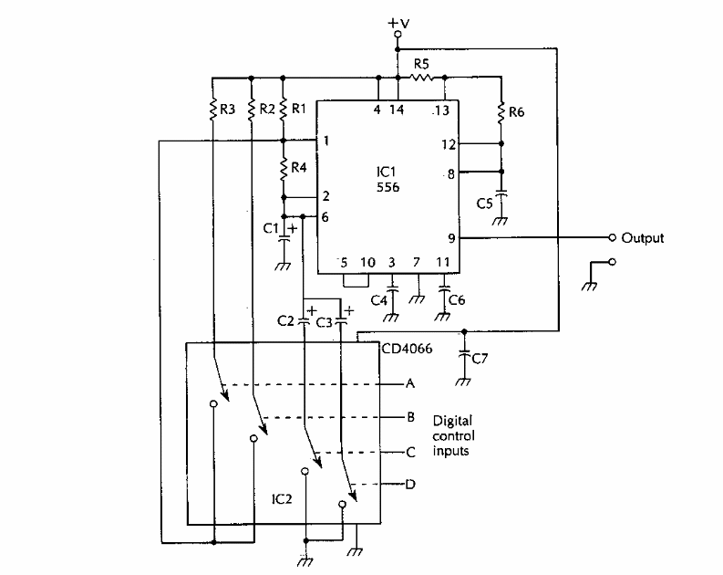
Found in American documentation from the 90s, this circuit generates sound bursts according to the digital control.
The circuit shown in the figure uses two of the four operational amplifiers found on the LM324...
We found this circuit in a publication from the 1980s. The circuit can still be easily implemented...
In this circuit the relay triggers on when light falls onto the sensor, a common LDR. Power supply...