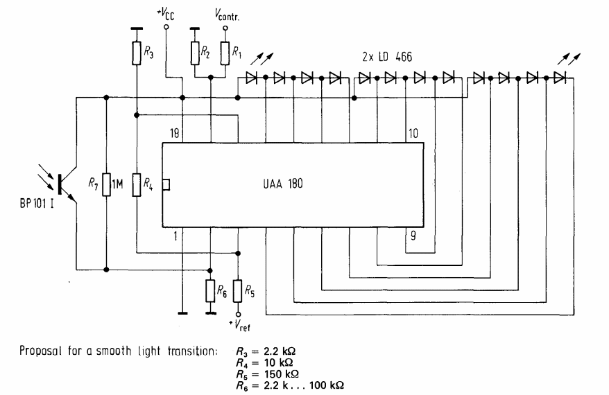
We found this range of LEDs with the UAA180 in the 1976 Siemens Integrated Circuits manual. The maximum supply voltage is 18 V.
This circuit uses two Raytheon RC4558 operational amplifiers that are similar to the 741. The...
This audio amplifier circuit is from Ibrape's technical documentation from the 70's. The BC177 can be...
This progressive circuit has a lock allowing coded activation. We found this configuration in...