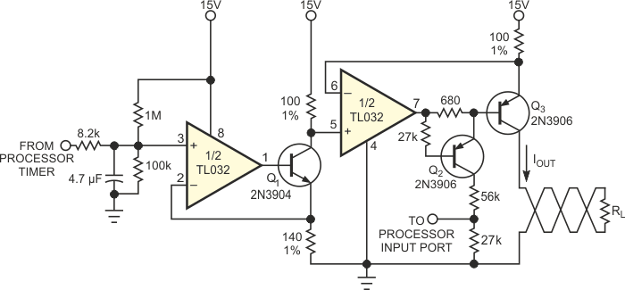
The basis of this circuit is the TL032 from Texas Instruments. The circuit converts an input in this range into voltages that can be transmitted from sensors. The circuit allows the use of twisted pair.
The basis of this circuit is the TL032 from Texas Instruments. The circuit converts an input in this range into voltages that can be transmitted from sensors. The circuit allows the use of twisted pair.