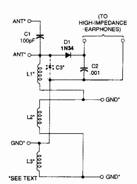
This antenna tuning circuit was found in a Popular Electronics from the 90's. The coils depend on the tuned frequency ranges.

This antenna tuning circuit was found in a Popular Electronics from the 90's. The coils depend on the tuned frequency ranges.
