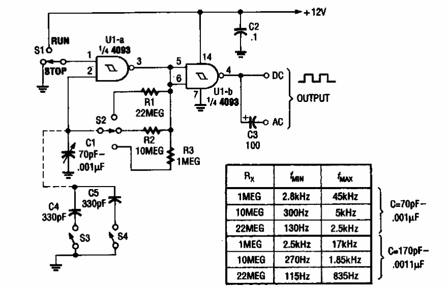
This variable frequency oscillator with the 4093 was found in a Popular Electronics from the 90s. The table gives the component values for various frequency ranges.
This circuit with integrated TTL 7400 has a good teaching purpose, drawing one of two LEDs. The...
Found in American documentation from the 70s, this circuit uses components of the time, uncommon...
This circuit makes use of a diac to stop the activation of a sensitive reed relay 1 mA. The trip...