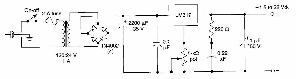
Found in an American documentation from the 90's, this 1.5 A power supply provides 1.5 to 22 V of output. The integrated circuit must be mounted on a heat sink.
This circuit with integrated TTL 7400 has a good teaching purpose, drawing one of two LEDs. The...
Found in American documentation from the 70s, this circuit uses components of the time, uncommon...
This circuit makes use of a diac to stop the activation of a sensitive reed relay 1 mA. The trip...