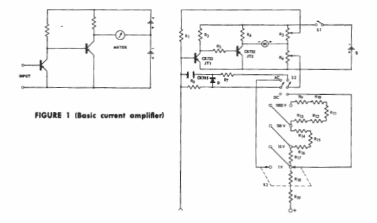
We found this circuit in a Raytheon manual from 1956. The transistors are germanium of the time, and the accuracy depends on the resistors.

We found this circuit in a Raytheon manual from 1956. The transistors are germanium of the time, and the accuracy depends on the resistors.
