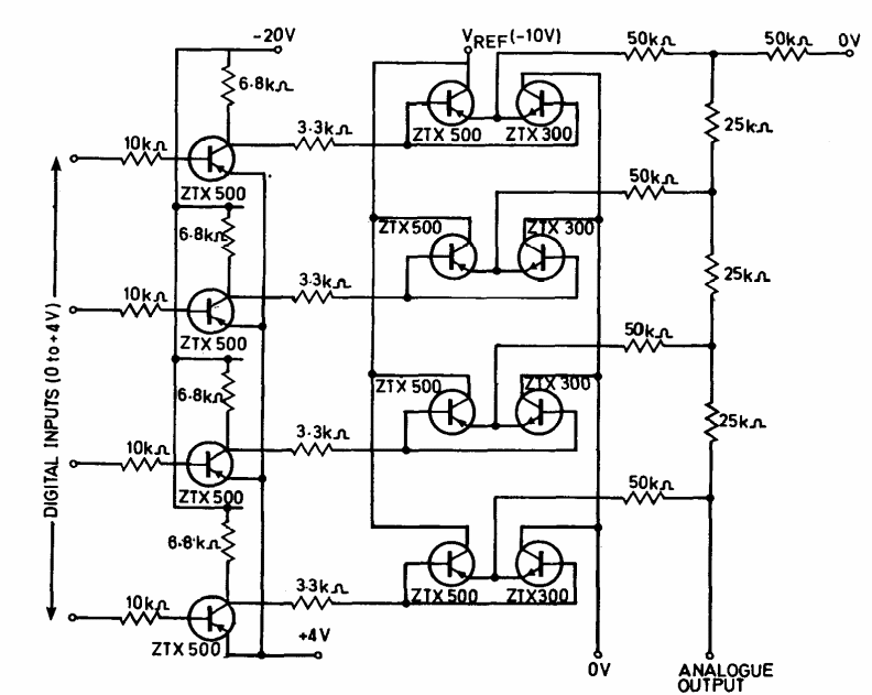
This circuit was found in Ferranti's 1974 transistor manual. Transistors are general purpose types at the time.
This simple TTL circuit indicates which was the first to press one of the four pressure switches. The...
This circuit was found in Motorola documentation from 1968. Transistors can be modern equivalents, just...
In this circuit, a unijunction transistor controls a multivibrator providing a rectangular signal...