We found this circuit with 5.3V zener in a Philips publication from the 60s. The op amp could be a modern equivalent.
This circuit with integrated TTL 7400 has a good teaching purpose, drawing one of two LEDs. The...
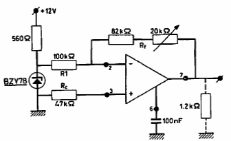
Found in American documentation from the 70s, this circuit uses components of the time, uncommon...
This circuit makes use of a diac to stop the activation of a sensitive reed relay 1 mA. The trip...