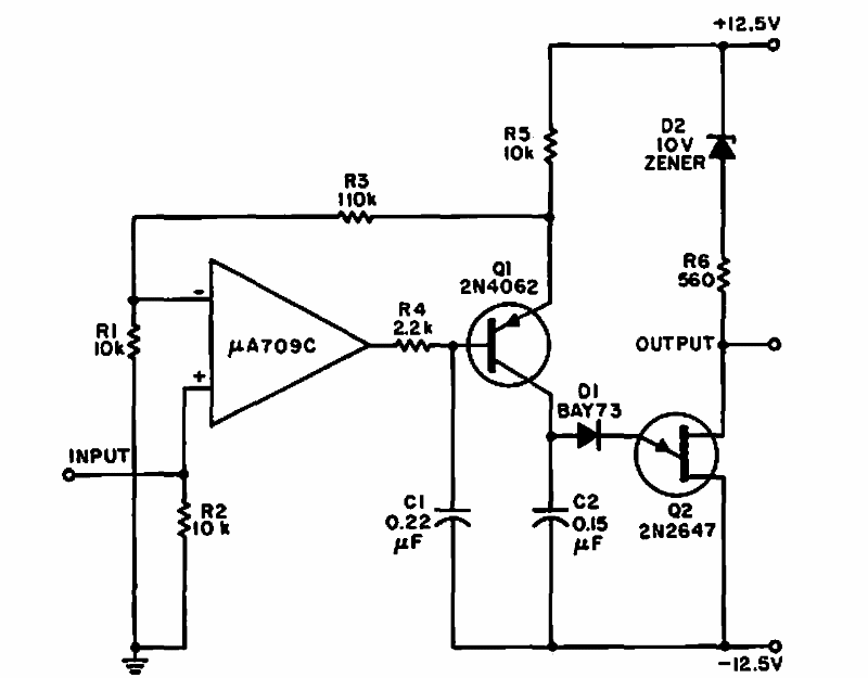
Found in a 1967 Electronic Design, this circuit operates in a range of 0 to 1 V input with frequencies determined by C2. The components are from the period.
This circuit can be implemented with other operational amplifiers. The formulas for calculating the...
We found this circuit in a Radio Electronics. The circuit can be seen elsewhere on this site. The...
This sensitive passage alarm was found in the August 1971 Radio Electronics magazine. The light...