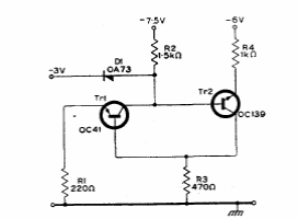
Found in a 1960 Mullard transistor manual, this circuit uses components from the time.
This circuit generates short pulses. The transistor can be a 2N2222 or BC548 and the frequency is given by...
In the figure we have the way to use the low consumption flasher LM3909 with 6 V supply to excite a...
This is an old test circuit for integrated TTL counters, feeding a Nixie tube, common at the time....