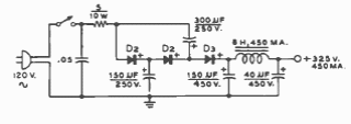
We found this circuit in a documentation for radio amateurs from 1977. The circuit can be changed to operate on the 220 V network.

We found this circuit in a documentation for radio amateurs from 1977. The circuit can be changed to operate on the 220 V network.
